Leggi il Topic


Moto Guzzi 850 T4 [acquisto e manutenzione]
14598975
14598975 Inviato: 28 Ago 2013 12:34
Oggetto: Moto Guzzi 850 T4 [acquisto e manutenzione]
 

Salve a tutti!
Ho usato la funzione cerca ma senza esito, quindi scrivo questo topic.
Mi è capitata la possibilità di acquistare una Moto Guzzi 850 T4 del 1981. La moto si presenta ben curata esteticamente e anche a livello di motore. Cercando questa moto su internet ho ottenuto scarsissimi risultati, e anche nei vari siti di compravendita se ne trovano pochissime. In compenso questo modello è presente fra le moto di interesse storico dell'FMI.
Vorrei sapere 3 cose:
Qual è il valore commerciale di questa moto?
Qual è la disponibilità dei ricambi?
Ha un valore storico paragonabile alle più famose T3 e T5?

Grazie in anticipo per le risposte!
 
14599390
14599390 Inviato: 28 Ago 2013 15:10
Oggetto: Re: Quotazione Moto Guzzi 850 T4
 

SuperLeo93 ha scritto:
Salve a tutti!
Ho usato la funzione cerca ma senza esito, quindi scrivo questo topic.
Mi è capitata la possibilità di acquistare una Moto Guzzi 850 T4 del 1981. La moto si presenta ben curata esteticamente e anche a livello di motore. Cercando questa moto su internet ho ottenuto scarsissimi risultati, e anche nei vari siti di compravendita se ne trovano pochissime. In compenso questo modello è presente fra le moto di interesse storico dell'FMI.
Vorrei sapere 3 cose:
Qual è il valore commerciale di questa moto?
Qual è la disponibilità dei ricambi?
Ha un valore storico paragonabile alle più famose T3 e T5?

Grazie in anticipo per le risposte!



Prova a guardare qui :

Riconoscimento e valutazione di tutte le Moto Guzzi d'Epoca
 
14600294
14600294 Inviato: 28 Ago 2013 21:49
 

Si avevo già controllato quel topic ma non c'è traccia del T4. Forse a questo punto mi conviene scrivere un post direttamente in quel topic
 
15327450
15327450 Inviato: 27 Apr 2015 19:36
Oggetto: T4 850 rimettere in strada
 

Nota automatica: questo messaggio proviene dalla fusione di un altro topic.
______________

Buonasera a tutti, sono Samu, sono diventato da poco possessore di una MotoGuzzi T4 850 del 1981.
La moto in questione è stata ferma per 20 anni al coperto, prima di accenderla ho fatto i controlli di routine:
-pulizia carburatori
-registro puntine
-anticipo
-gioco punterie
-controllo impianto elettrico
-filtro aria
-controllo olii
Al primo giro di motorino d avviamento la moto si è accesa, il problema e che non smette di accelerare arriva a 7000 g/min poi intervengo io che giro la chiave e spengo tutto.
Unico modo di ottenere un minimo regolare a 1000 g/min è posticipare di tanto l' anticipo.
L' unica spiegazione che ho è che c'è un bello strato di residui carboniosi sul cielo del pistone e questo sia la causa di una preaccensione della miscela. Queste sono congetture la verità e che non so dove sbattere la testa. Se qualcuno ha dei consigli sono pronto ad ascoltare.
Buonaserata.
 
15327567
15327567 Inviato: 27 Apr 2015 21:15
Oggetto: Re: T4 850 rimettere in strada
 

samunot ha scritto:
<b>Nota automatica</b>: questo messaggio proviene dalla fusione di un altro topic.
______________

Buonasera a tutti, sono Samu, sono diventato da poco possessore di una MotoGuzzi T4 850 del 1981.
La moto in questione è stata ferma per 20 anni al coperto, prima di accenderla ho fatto i controlli di routine:
-pulizia carburatori
-registro puntine
-anticipo
-gioco punterie
-controllo impianto elettrico
-filtro aria
-controllo olii
Al primo giro di motorino d avviamento la moto si è accesa, il problema e che non smette di accelerare arriva a 7000 g/min poi intervengo io che giro la chiave e spengo tutto.
Unico modo di ottenere un minimo regolare a 1000 g/min è posticipare di tanto l' anticipo.
L' unica spiegazione che ho è che c'è un bello strato di residui carboniosi sul cielo del pistone e questo sia la causa di una preaccensione della miscela. Queste sono congetture la verità e che non so dove sbattere la testa. Se qualcuno ha dei consigli sono pronto ad ascoltare.
Buonaserata.


Forse era meglio avviare la moto poi fare eventuali controlli in caso di anomalie (salvo quello del livello olio), ma oramai è andata, vale per la prossima volta!

La prima che mi viene in mente (dando per scontato che i controlli indicati siano stati fatti a regola d' arte): il comando acceleratore è a posto? I bowden hanno un paio di mm. di gioco libero tra la loro estremità e le viti di regolazione?

0510_saluto.gif
 
15328174
15328174 Inviato: 28 Apr 2015 14:32
 

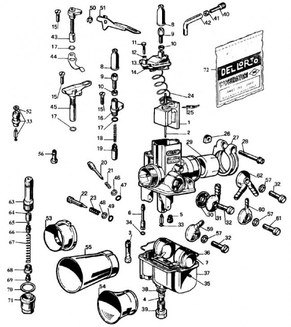
Ho risolto, il nottolino n°64 nella foto si bloccava impedendo alla gigliottina di scendere del tutto.
Ora mi affligge un altro problema il cilindro di sinistra fuma troppo e mi annerisce la candela come in foto.
Al contrario il cilindro di destra sembra a posto.
Avete qualche suggerimento, grazie.
Buona giornata.

immagini visibili ai soli utenti registrati


immagini visibili ai soli utenti registrati

 
15328210
15328210 Inviato: 28 Apr 2015 14:56
 

samunot ha scritto:
Ho risolto, il nottolino n°64 nella foto si bloccava impedendo alla gigliottina di scendere del tutto.
Ora mi affligge un altro problema il cilindro di sinistra fuma troppo e mi annerisce la candela come in foto.
Al contrario il cilindro di destra sembra a posto.
Avete qualche suggerimento, grazie.
Buona giornata.
Immagine: Link a pagina di Motoclub Tingavert
Immagine: Link a pagina di Motoclub Tingavert


Intanto verificare se la candela è quella giusta, una Bosch W6DC o corrispondente Champion o NGK.

Se la candela è ok, allora potrebbe essere un problema di miscela troppo ricca.

Direi di partire a verificare se il manettino dello starter sx, chiude e, soprattutto, se apre il passaggio dell' aria, e se il piccolo o ring di tenuta è integro.

Se è tutto a posto, allora si passa alla carburazione, occorre smagrire la miscela, ma è meglio fare una verifica alla volta per trovare la causa del problema.

0510_saluto.gif
 
Mostra prima i messaggi di:





Pagina 1 di 1

Non puoi inserire nuovi Topic
Non puoi rispondere ai Topic
Non puoi modificare i tuoi messaggi
Non puoi cancellare i tuoi messaggi
Non puoi votare nei sondaggi
 
Indice del forumForum Moto d'EpocaForum Moto Guzzi d'epoca

Forums ©